

教学目标
知识目标
1.通过实验使学生会用伏安法测电阻的方法.
2.使学生进一步掌握正确使用电压表和电流表的方法.
能力目标
培养学生的实验技能,提高学生的实验素质.
情感目标
培养学生实事求是科学态度和团结协作的集体观点.
教学建议
教材分析
用伏安法测电阻是电学中的一种基本测量,属欧姆定律变换式的具体应用,对于加深欧姆定律和电阻概念有重要作用,同时又给学生提供初中常用电学器材综合使用的机会,有利于提高学生动手操作能力,根据课题设计实验电路图,掌握正确的操作顺序是本节的重点,根据电路图进行实物接线并且排除接线过程中出现的种种故障是难点所在.
教法建议
本节拟采用先讨论,后设计方案,再进行实验的方法进行学习.
考虑到中学生的思维特点,由浅入深地加以引导,循序渐进地提出下面的几个问题:
(1)怎样用电压表、电流表测电阻的值?电路图是什么?
(2)需测哪些物理量?
(3)怎么算出电阻?这个算出的值有误差吗?
(4)怎么减小误差?
(5)怎么才会取得多组数据.
按以上思维过程,学生很容易想到用变用器去改变待测电阻中通过的电流及待测电阻两端的电压,变阻器也就呼之欲出了,突出了变阻器在此实验中的中心作用.
教学设计方案
导入新课
1.检查学生完成预习作业情况并按下面的实验报告加以纠正.
实验目的用电压表、电流表测电阻.
实验原理
变形
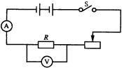
实验器材 学生电源、电压表、电流表、滑动变阻器、待测电阻、单刀开关各一个,导线若干.
实验电路图
实验步骤
(1)按电路图连接电路.
(2)检查无误后,闭合开关S,改变滑动变阻器的阻值,分别读出电流表、电压表的读数,填入下面的表格中.
(3)其出三次R的值,求出R的平均值.
|
|
电压U(V) |
电流I(A) |
电阻R( |
|
1 |
|||
|
2 |
|||
|
3 |
实验记录表格
待测电阻R的平均值
2.教师强调实验注意事项
(1)连接电路时提示学生
①开关要处于断开位置.
②滑动变阻器的滑片要放在最大电阻值的位置.
③电源电压选用4V.
④电压表选用3V量程,电流表选用0.6A
⑤注意认清电压表、电流表的“+”、“-”接线柱.
(2)指导学生连接电路时强调:
先连“主电路”即由电阻R、电流表、电压表、滑动变阻器、单刀开关、电源组成的串联电路,检查无误后再接电压表.
3.进行分组实验
(1)教师巡回指导、检查学生分组实验的情况,及时解决实验中发生的问题.
(2)指导学生正确读出电流表、电压表上的数值.
(3)注意观察,尽可能要求每个学生都参加操作.
(4)掌握实验进展,记录下实验做得好的小组.
4.实验总结
(1)选几组汇报实验结果.
(2)指出实验中的优点、缺点,特别是实验中普遍存在的问题,作为今后的教训.

